Показать сообщение отдельно
Старый 10.10.2010, 18:18   #1
Alex-L
Moderator
 
Аватар для Alex-L
 
Регистрация: 23.03.2008
Возраст: 55
Город: Москва, Нагорная
Регион: 77, 97, 99, 177
Машина: Mitsubishi Lancer-X
Сообщений: 2,096
Alex-L is a splendid one to beholdAlex-L is a splendid one to beholdAlex-L is a splendid one to beholdAlex-L is a splendid one to beholdAlex-L is a splendid one to beholdAlex-L is a splendid one to beholdAlex-L is a splendid one to behold
По умолчанию Устройство коммутации для CarPc

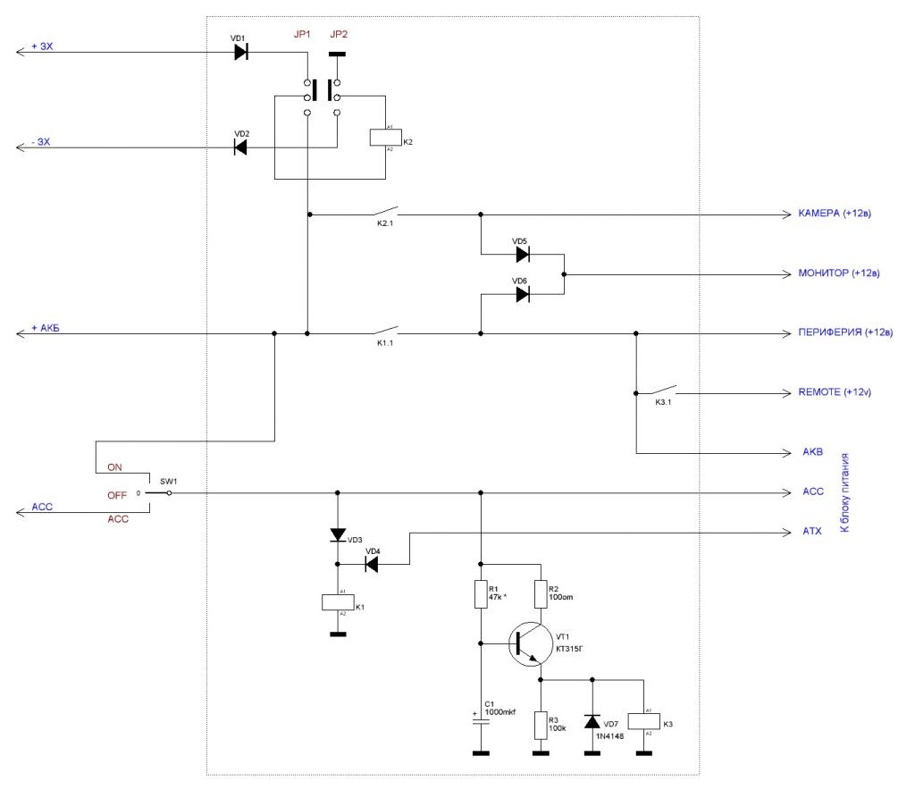
На форуме стали часто встречаться вопросы типа: как подключить камеру заднего вида, монитор, усилитель (сигнал Remote) и т.п. Подобной информации конечно много, но хотелось бы объединить её в одной теме. Речь идет о простой конструкции, с минимумом электронных компонентов, чтобы при её сборке ни у кого не возникло никаких сложностей.
Схема предназначена для работы с автомобильными блоками питания типа E10000, M2-ITX и т.п.
Схема не поддерживает использование спяще/ждущих режимов.

Схема обеспечивает:
1. Три режима включения/выключения компьютера и периферийных устройств, режимы выбираются трехпозиционным переключателем SW1 типа R19A-32BBET
- включен постоянно (ON)
- выключен постоянно (OFF)
- управляется ACC (ACC)
2. Полное обесточивание системы при выключении.
3. Управление камерой ЗВ с одновременным включением (если компьютер выключен) монитора и переключением его в режим видеовхода (монитор должен поддерживать такую возможность).
3. Управление усилителем (сигнал Remote) с задержкой. Включение через N секунд после подачи АСС, выключение - сразу после пропадания АСС.

Подключение:
+ЗХ - положительный сигнал заднего хода. Подключается в точку, в которой появляется +12в при включении задней передачи. При этом перемычки JP1 и JP2 обязательно должны быть установлены в верхнее по схеме положение.
или
-ЗХ - отрицательный сигнал заднего хода. Подключается в точку, имеющую электрический контакт с масссой авто при включении задней передачи (при выключенной задней передаче - эта точка не должна иметь электрического контакта с массой авто) При этом перемычки JP1 и JP2 обязательно должны быть установлены в нижнее по схеме положение.
+АКБ - соединяется с плюсовой клемой АКБ, соблюдая правила CarPc строения - провод потолще и т.п.
ACC - соединяется с проводом от замка зажигания, на котором появляется +12в при повороте ключа в положение АСС.

В исходном состоянии все реле выключены, система полностью обесточена.

Управление камерой ЗВ сигналом заднего хода положительной полярности +12в (верхнее по схеме положение перемычек JP1 и JP2):
при включении задней передачи, сигнал заднего хода +12в пройдя через цепь: диод VD1 - перемычка JP1 - обмотка реле K2 - перемычка JP2 - земля, включит реле K2.
Управление камерой ЗВ сигналом заднего хода отрицательной полярности "земля" (нижнее по схеме положение перемычек JP1 и JP2):
при включении задней передачи, +12в с АКБ пройдя через цепь: перемычка JP1 - обмотка реле K2 - перемычка JP2 - диод VD2 - земля, включит реле K2.
При включении, реле К2 своими контактами K2.1 подаст питание на камеру ЗВ (с этого же провода снимается сигнал для переключения монитора на видеовход) и через диод VD5 - на монитор. Даже если компьютер выключен - монитор включится.
Если параллельно контактам К2.1 повесить выключатель (например типа H8800VA) - получится принудительное включение камеры ЗВ. Внимание! Если забыть этот выключатель включенным - автоматического выключения не произойдет. Возможен разряд аккумулятора.

Управление компьютером и периферийными устройствами (преобразователи для питания USB хабов, тв-радио приемники и т.п.)

Режим ACC - нижнее по схеме положение переключателя SW1.
При появлении АСС +12в через диод VD3 включится реле К1 и своими контактами К1.1 подаст питание на блок питания, монитор (через диод VD6), периферийные устройства, так же сигнал +12в пойдет на вход АСС блока питания - начнется процесс запуска системы. Одновременно начнется отсчет времени, по истечении которого включится реле К3 и своими контактами К3.1 подаст сигнал +12в на включение усилителя. Это время определяется номиналами R1 и C1, при указанных на схеме значениях оно составит около 1 минуты. Т.е. получится что усилитель включится после загрузки ОС. После запуска блока питани, на его выходе ATX появится напряжение +12в и через диод VD4 заблокирует реле К1 (система готова к выключению)
При пропадании сигнала АСС сразу выключится усилитель, т.к. на входе АСС блока питания пропадет напряжение - начнется процесс завершения работы компьютера. После завершения работы пропадет напряжение на выходе ATX блока питания - реле К1 выключится и своими контактами К1.1 полностью обесточит систему.

Режим ON - верхнее по схеме положение переключателя SW1.
То же что и АСС, только компютер будет включен до тех пор пока переключатель SW1 не будет переведен в положение OFF или АСС при выключенном зажигании.

Режим OFF - ну эт понятно - выключен всегда, не смотря ни на что.
Если забыть переключатель SW1 в положении ON - аккумулятор, разумеется, сдохнет. Ну если блок питания не отрубит систему. Но, как показывает практика, делают они это слишком поздно.

Детали:
Реле К1 силовое - расчитанное на коммутируемый ток равный суммарному току потребления (желательно с запасом) всей системы: системный блок + монитор + периферийные устройства. И номинальным напряжением срабатывания 12в.
Например: TR90-12VDC-SC-C-R или TRV-12VDC-SC-AL-R
Реле К2 и К3 - слаботочные. Номинальное напряжение срабатывания 12в, коммутируемый ток - более 1А не имеет смысла.
Например: D3202,1462034-1 или TRB-12VDC-SA-CL-R
Диоды любые, например 1N4001.
В качестве перемычек удобно использовать вилки PLD-6 и джампики от материнок.
Миниатюры
Нажмите на изображение для увеличения
Название: 1.jpg
Просмотров: 4221
Размер:	49.2 Кб
ID:	18650  

Последний раз редактировалось Alex-L; 10.10.2010 в 19:14.
Alex-L вне форума   Ответить с цитированием